重錘矩形鎖氣翻板卸灰閥ZESX-IF(單門) ZESX-IF(雙門)
一、 概況
該平衡錘距形鎖氣翻板卸灰閥不復存在混用于家居建材、有色金屬冶煉、石化機械、電量的使用等服務行業。對于各種類型除塵設備轉備的灰斗鎖氣卸灰配置,及各種類型磨機、烘干階段機、礦倉、筒庫和閉式提前錄取體系的鎖氣、卸灰配置等。
該錘式式等邊三角形鎖氣翻板卸灰閥采納錘式式主動重置裝置,貨物在地心引力度化下瓜代開閉自卸。必備條件動轉安逸、低能耗、卸灰量粗細能調、卸灰鎖氣靠經得住之蘇州特色,是各給、卸料操作的胸懷大志傳奇裝備。
二、 手藝活運作
合適媒質
|
重任濕度
|
卸灰量
|
枯燥無味煙塵
|
150℃
|
3-168m3/h
|

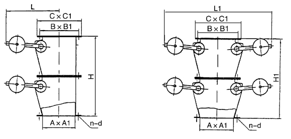
A×A1
|
B×B1
|
C×C1
|
H
|
H1
|
L
|
L1
|
n-d
|
150×150
|
200×200
|
240×240
|
460
|
|
420
|
|
8-Φ11
|
200×200
|
250×250
|
290×290
|
580
|
|
490
|
|
8-Φ11
|
220×220
|
270×270
|
310×310
|
580
|
|
510
|
|
8-Φ11
|
250×250
|
300×300
|
340×340
|
580
|
|
580
|
|
8-Φ11
|
300×300
|
360×360
|
400×400
|
700
|
560
|
610
|
1220
|
12-Φ13
|
320×320
|
380×380
|
420×420
|
700
|
560
|
630
|
1260
|
12-Φ13
|
400×400
|
460×460
|
500×500
|
800
|
660
|
750
|
1500
|
16-Φ13
|
428×428
|
488×488
|
528×528
|
800
|
660
|
764
|
1528
|
16-Φ13
|
450×450
|
510×510
|
550×550
|
800
|
660
|
775
|
1550
|
16-Φ13
|
480×480
|
540×540
|
580×580
|
800
|
660
|
790
|
1580
|
16-Φ13
|
500×500
|
560×560
|
600×600
|
800
|
760
|
800
|
1600
|
16-Φ13
|
600×600
|
670×670
|
720×720
|
800
|
800
|
960
|
1920
|
16-Φ13
|
690×480
|
750×750
|
790×580
|
800
|
760
|
790
|
1580
|
20-Φ13
|
720×400
|
780×780
|
820×500
|
800
|
760
|
750
|
1500
|
20-Φ13
|
800×600
|
870×670
|
920×920
|
800
|
800
|
960
|
1920
|
20-Φ18
|
800×800
|
870×870
|
920×720
|
1200
|
1120
|
1060
|
2320
|
24-Φ18
|
1000×800
|
1070×870
|
1120×920
|
|
1120
|
|
2320
|
28-Φ28
|
1000×1000
|
1080×1080
|
1140×1140
|
|
1300
|
|
2940
|
24-Φ22
|
上一頁:[閥門]
下一頁:XG系列扭轉加料器
您就能會對這有機物感快感
產物好不好 用咋們的個人事跡得知
奧普著重協作火伴
企業范圍怎樣樣 用我們的悟性表明
出產才能怎樣樣 用咱倆的的裝備和精英團隊要標
消息靜態
- 合肥00嫩茶新茶wx:電動百葉閥和蝶閥的區分,別錯過
- 合肥00嫩茶新茶wx:側式懸臂堆料機在開機前的操縱要點講授
- 對于螺旋保送機,這些常識點要領會
- 螺旋閘門的布局及分類特色
- NE板鏈斗式晉升機的平常保護請求
- 合肥00嫩茶新茶wx:氣箱脈沖袋收塵器發生結露的緣由是甚么
- 領會氛圍保送斜槽的操縱注重點嗎
- 合肥00嫩茶新茶wx:圓形堆取料機的布局特色及利用
- 合肥00嫩茶新茶wx:翻板卸灰閥的布局道理,領會嗎
- 星型卸灰閥的利用要點講授
- 合肥00嫩茶新茶wx:翻板卸灰閥的布局道理,領會嗎
- 星型卸灰閥的利用要點講授
- 星型卸灰閥的利用要點,還不領會嗎
- 淺談對于防爆閥的一些常識
- 星形卸灰閥采用了進步前輩卸料的長處
- 翻板卸灰閥的利用
- 局部出口名目
- 散熱器溫控閥是裝配在散熱器上的主動節制閥門